<var id="tppr1"><video id="tppr1"><menuitem id="tppr1"></menuitem></video></var><var id="tppr1"></var>
<var id="tppr1"></var>
<var id="tppr1"></var>
<ins id="tppr1"><span id="tppr1"></span></ins>
<var id="tppr1"></var><var id="tppr1"><strike id="tppr1"></strike></var>
<del id="tppr1"><span id="tppr1"></span></del>
<var id="tppr1"></var>
<ins id="tppr1"><span id="tppr1"></span></ins>
<cite id="tppr1"></cite>
<ins id="tppr1"><video id="tppr1"></video></ins>
<var id="tppr1"></var><del id="tppr1"><span id="tppr1"></span></del>
<cite id="tppr1"><video id="tppr1"></video></cite>
<ins id="tppr1"><span id="tppr1"></span></ins><cite id="tppr1"><span id="tppr1"></span></cite>
<var id="tppr1"><video id="tppr1"></video></var>
<cite id="tppr1"><video id="tppr1"></video></cite>
<var id="tppr1"></var>
) 公司新聞

技術講堂 | 如何排查稱重儀表OFL故障

時間: 2020-04-24 出處: 本站

OFL為稱重儀表的常見故障問題,為幫助客戶更好的排查稱重儀表OFL故障,小曼攜本司工程師顏值擔當—鄭工為大家帶來本期視頻《稱重儀表OFL故障排查》。稱重儀表OFL故障包含:重量正溢出(重量超量程),重量負溢出,傳感器信號過小和傳感器信號過大四種。


杰曼稱重儀表產生OFL故障的排查

▲儀表OFL故障情況

稱重儀表產生OFL故障的原因主要分為以下4種:

° 稱重儀表參數設置錯誤   ° 外部接線錯誤   ° 傳感器損壞   ° 稱重儀表硬件損壞


杰曼稱重儀表產生OFL故障的排查

▲儀表產生OFL故障的原因

測試所需器材

此次稱重儀表OFL故障排查測試所需要使用的器材:

1. 滿量程為20kg的稱臺一個(替代現場的料斗/料罐)  2. 重量為2kg的砝碼一個   3. 型號為GM9907-LD的稱重儀表一臺   4. 帶有毫伏電壓檔的數字萬用表一臺   5. 一字螺絲刀一個



杰曼稱重儀表產生OFL故障的排查

▲故障排查所需要的器材


四種故障排查方法


如果稱重儀表是第一次使用,需要按照稱重儀表說明書的校秤操作進行校秤。校秤后如果主界面顯示OFL,再繼續下面的排查。

一. 稱重儀表參數設置錯誤

° 將稱重儀表界面切換到校秤—毫伏數顯示界面,可以從儀表上看到當前有毫伏數顯示,通過按壓稱臺,能看到毫伏數顯示有變化,說明傳感器正常工作,但重量顯示為重量超量程,此時可以判定儀表的最大量程設置錯誤。

° 切換到參數設置界面—最大量程界面,此刻最大量程<2kg,即砝碼重量。應將最大量程設置為傳感器滿量程的80%以上。再次切換到毫伏數顯示界面,此時觀察重量顯示已恢復正常。

杰曼稱重儀表產生OFL故障的排查



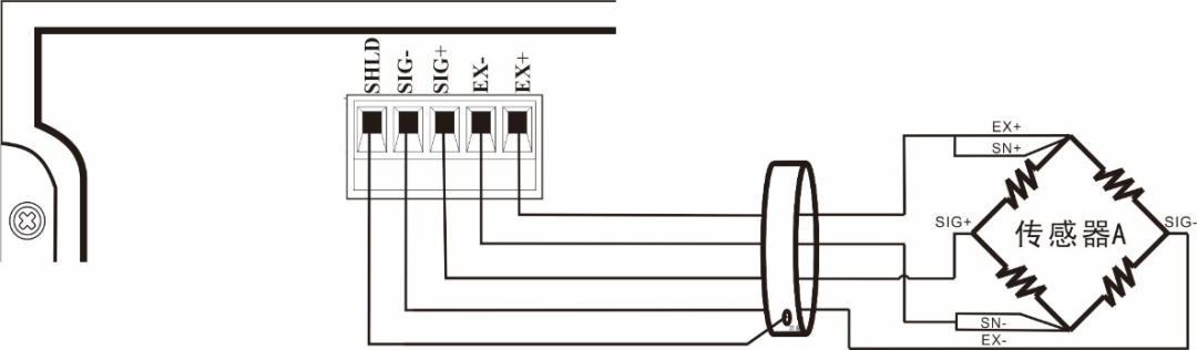
二、外部接線錯誤



杰曼稱重儀表產生OFL故障的排查

外部接線錯誤排查:確認稱重儀表參數設置無誤后,進入到毫伏數顯示界面,界面提示傳感器信號過小。按壓稱臺,毫伏數顯示仍然顯示傳感器信號過小。此時,需根據說明書上的接線指導來檢查外部接線。


杰曼稱重儀表產生OFL故障的排查


▲傳感器四線接線接線圖

杰曼稱重儀表產生OFL故障的排查


▲傳感器六線接線接線圖



三. 稱重傳感器損壞

杰曼稱重儀表產生OFL故障的排查

01、在通過查閱說明書確認稱重儀表參數和接線無誤之后,進入到毫伏數顯示界面,毫伏數顯示為傳感器信號過小,按壓稱臺,仍然顯示傳感器信號過小。

02、此時我們將端子從儀表中卸下,將萬用表調至電壓檔,測量EX+、EX-兩端的電壓。測得的電壓與說明書上的傳感器電源電壓基本一致時,則EX+、EX-端電壓正常。

03、將傳感器的SIG+、SIG-線從端子中卸出后,把端子重新接入儀表,測量SIG+、SIG-兩端電壓。如在萬用表上讀不到數值,或讀到的數值超傳感器電源電壓范圍時,可判斷接線有誤或傳感器損壞。


判斷標準

方法A. 測量SIG+、SIG-的電壓,在萬用表上讀不到數值或讀到的數值超傳感器信號電壓范圍。此時可判斷,外部傳感器損壞。

方法B. 測量EX+、EX-端電壓無誤后,通過測量EX+與SIG+間的電壓,和EX-與SIG-間的電壓相比較,如果相差較大,可判斷傳感器接線有誤或傳感器損壞。



四. 稱重儀表硬件損壞

判斷標準:在判斷稱重傳感器正常工作后,將SIG+,SIG-插入端子,擰好螺絲,將端子插入稱重儀表,稱重儀表仍顯示OFL。此時可判斷,稱重儀表接線端子損壞或內部硬件損傷。



分享到:
yyyang@szgmt.com
18218749681
jj视频